Gleitlager aus Bronze und Messing nach DIN ISO 4379 (DIN 1850-1)
Eigenschaften bei Verwendung von CuSn7Zn4Pb7-Bronze DIN EN 1982 (CC493K)
Lagerbronze mit guten Gleiteigenschaften und einer hohen Verschleissfestigkeit, geeignet für Öl- oder Fettschmierung. Gleitgeschwindigkeit und Temperaturbereich sind abhängig vom verwendetem Schmiermittel. Das typische Schmiermittel für Bronze-Gleitlager ist Fett, in Ausnahmefällen ist Öl möglich (mehr Informationen zum Thema Schmierung finden Sie hier).
| max. zulässige Belastung | dynamisch statisch |
N/mm2 | 25 45 |
| max. zulässige Gleitgeschwindigkeit | m/s | 0.5 | |
| Reibungskoeffizient | mit Schmierfett | µ | 0.08 bis 0.15 |
| Temperatur-Einsatzbereich | abhängig vom Schmierfett | °C | –40 bis +250 |
| Oberflächenrauheit der Welle | geschmiert | Ra | 0 bis 0.8 |
Werkstoff Gleitlager und Gleitelemente
Hier finden Sie einen Auszug der gängigsten Gleitlagerwerkstoffe. Die Wahl des Werkstoffes hängt hauptsächlich von der Art und Weise der späteren Anwendung und den Belastungen ab. Ist Ihr Werkstoff nicht dabei? Dann kontaktieren Sie uns, wir finden für Sie die optimale Lösung.
Rm = Zugfestigkeit | Rp 0.2 = Streckgrenze | A5 = Bruchdehnung | HB = Härte Brinell
| Werkstoff nach DIN Werkstoff-Nr. |
Mechanische Eigenschaften |
Zusammensetzung in % |
Besondere Eigenschaften und Anwendungsbeispiele |
|---|---|---|---|
| CuSn7Zn4Pb7-C DIN EN 1982 CC493K Ähnliche Werkstoffe: CuSn7ZnPb, 2.1090, DIN 1705 (Rotguss, Rg 7, LB 50) C93200 UNS |
Rm ≥ 260 N/mm² Rp 0.2 ≥ 120 N/mm² A5 ≥ 12 % HB ≥ 70 |
Cu 81 – 86 Sn 5.2 – 8 Zn 2 – 5 Pb 5 – 8 |
Gebräuchlichste und preisgünstige Rotgusslegierung für Gleitlager. Weist bei mittlerer Härte noch gute Notlaufeigenschaften sowie ausreichende Verschleissfestigkeit auf. Auch bei Verwendung ungehärteten Wellen und leichten Kantenpressungen geeignet. Kurzspanender, gut bearbeitbarer Werkstoff, gute Korrosionsbeständigkeit (auch im Meerwasser), weich- und bedingt hartlotbar. Hauptanwendungsgebiete sind Gleitlager und Lagerbuchsen für den allgemeinen Maschinenbau. Produkt mit Informationspflichten gemäss REACH-Verordnung. |
| CuSn12-C DIN EN 1982 CC483K Ähnliche Werkstoffe: 2.1052, DIN 1705 (SnBz12, Gbz12, LB 65) C90800 UNS, PB 2, BS 1400 |
Rm ≥ 300 (GC) | ≥ 280 (GZ) N/mm² Rp 0.2 ≥ 150 N/mm² A5 ≥ 6 % HB ≥ 90 |
Cu 85 – 89 Sn 10.5 – 13.0 Pb ≤ 0.7 |
Zähharter Werkstoff mit guter Verschleissfestigkeit, geeignet auch für hohe Gleitgeschwindigkeiten. Gute Korrosionsbeständigkeit (auch im Meerwasser). Besonders geeignet für Teile, die Flächendrucke und gleichzeitig Stösse aushalten müssen sowie auf Reibungsverschleiss beansprucht werden. Widerstandsfähig gegen Kavitationsbeanspruchung. Stell- und Gleitleisten, Gleitlager in Werkzeugmaschinen. Produkt mit Informationspflichten gemäss REACH-Verordnung. |
| CuSn11Pb2-C DIN EN 1982 CC482K Ähnliche Werkstoffe: 2.1061, CuSn12Pb, DIN 1705, (LB 66) C92500 UNS |
Rm ≥ 280 N/mm² Rp 0.2 ≥ 150 N/mm² A5 ≥ 5 % HB ≥ 90 |
Cu 83.5 – 87 Sn 10.5 – 12.5 Pb 0.7 – 2.5 |
Zähharter Lagerwerkstoff mit guter Verschleissfestigkeit und guter Notlaufeigenschaft. Gute Korrosionsbeständigkeit (auch im Meerwasser). Ähnliche Eigenschaften wie CuSn12-C, durch den Bleizusatz vergleichsweise bessere Spanbarkeit. Kantenpressungen müssen vermieden werden. Geeignet für Gleitlager mit hohen Lastspitzen, hochbeanspruchte Stell- und Gleitleisten. Produkt mit Informationspflichten gemäss REACH-Verordnung. |
| CuSn12Ni2-C DIN EN 1982 CC484K Ähnliche Werkstoffe: CuSn12Ni, 2.1060, DIN 1705, (LB 68) C91700 UNS, CT2, BS 1400 |
Rm ≥ 300 (GC) | ≥ 280 (GZ) N/mm² Rp 0.2 ≥ 180 N/mm² A5 ≥ 10 (GC) | ≥ 8 (GZ) % HB ≥ 90 |
Cu 84.5 – 87.5 Sn 11 – 13 Ni 1.5 – 2.5 P 0.05 – 0.4 Pb ≤ 0.3 |
Zähharter Werkstoff mit sehr hohem Verschleisswiderstand, geeignet auch bei hohen Gleitgeschwindigkeiten und Flächendrücken. Gute Korrosionsbeständigkeit, meerwasserbeständig, widerstandsfähig gegen Kavitationsbeanspruchung, mäsig zerspanbar. Schnelllaufende Schnecken- und Schraubenradkränze. Produkt mit Informationspflichten gemäss REACH-Verordnung. |
| CuSn8 DIN EN 12163 - 167/12449/1652/1654 CW453K Ähnliche Werkstoffe: 2.1030, DIN 17662, (Caro Bronze) C52100 UNS PB 104, BS 2870-2875 |
Rm ≥ 450 N/mm² Rp 0.2 ≥ 280 N/mm² A5 ≥ 26 – 30 % HB – |
Cu Rest Sn 7,5 – 8,5 P 0.01 – 0.4 |
Kaltgezogene Zinnbronze mit hohem Phosphorgehalt. Ausgezeichnete Gleiteigenschaften, hohe Verschleissfestigkeit und gute Warmfestigkeit. Mit gehärteten Wellen und ausreichender Schmierung für hohe Geschwindigkeiten und hohe Belastungen einsetzbar. Für dünnwandige Buchsen besonders geeignet. Meerwasser beständig. Späne nicht kurzbrüchig. Kolbenbolzenbuchsen, Ventilführungsbuchsen, Getriebebuchsen, Lager in Werkzeugmaschinen, Bolzen, Schrauben, Spindeln, Gleitschuhe. |
| CuSn8P DIN EN 12163, 12449 CW459K Ähnliche Werkstoffe: 2.1030, (Caro Bronze) |
Rm ≥ 460 N/mm² Rp 0.2 ≥ 280 N/mm² A5 ≥ 26 – 30 % HB – |
Cu Rest Sn 7,5 – 8,5 P 0.2 – 0.4 |
Wie CuSn8 (siehe oben). Der erhöhte Phosphorgehalt soll die Verschleissfestigkeit und die Gleiteigenschaften noch verbessern. |
| CuAl10Fe5Ni5-C DIN EN 1982 CC333G Ähnliche Werkstoffe: 2.0975, CuAl10Ni, DIN 1714 (AlBz10Ni, LB75-1) Cu 95 800, C 95 500 UNS AB 2, BS 1400 |
Rm ≥ 650 N/mm² Rp 0.2 ≥ 280 N/mm² A5 ≥ 13 % HB ≥ 150 |
Cu 76 – 83 Al 8,5 – 10.5 Ni 4 – 6 Fe 4.0 – 5.5 Mn ≤ 3 Zn ≤ 0.5 |
Konstruktionswerkstoff mit hohen Festigkeitswerten, beständig in kaltem und sogar heissem Meerwasser. Sehr gute Warmfestigkeit. Sehr gute Dauerschwingfestigkeit in Luft und Meerwasser. Sehr kavitations- und korrosionsbeständig, hochbelastbar bei guter Verschleissfestigkeit. Bei Gleitbeanspruchung gute Schmierung erforderlich. Sehr gute Druckdichtigkeit. Sehr gut schweissbar. Hoch beanspruchte Gleitlager und Schneckenkränze. Schnecken- und Schraubenräder bei höchsten Zahndrücken. |
| CuAl10Ni5Fe4 DIN EN 12163 / 12167 / 12420 CW307G Ähnliche Werkstoffe: 2.0966, CuAl10Fe5Ni5, DIN 1766, (LB 75) C63200, C63000 UNS CA 104, BS 2872, 2874, 2875 |
Rm ≥ 680 N/mm² Rp 0.2 ≥ 320 N/mm² A5 ≥ 10 % HB – |
Cu Rest Al 8.5 – 11 Ni 4 – 6 Fe 3 – 5 Mn ≤ 1 Zn ≤ 0.4 |
Hohe Festigkeit auch bei höheren Temperaturen bis ca. 400 °C. Hohe Dauerwechselfestigkeit auch bei Korrosionsbeanspruchung. Beständig gegenüber neutralen und sauren, wässrigen Medien sowie Meerwasser. Gute Beständigkeit gegen Verzunderung, Erosion und Kavitation. Sehr hohe Verschleissfestigkeit. Gute Gleiteigenschaften bei Gegenwerkstoffen mit harten Oberflächen und bei einwandfreier Schmierung. Mechanisch und chemisch beanspruchte Teile im Maschinen-, Schiff- und Bergbau. |
| CuSn10Pb10-C DIN EN 1982 CC495K Ähnliche Werkstoffe: CuPb10Sn, 2.1176, DIN 1716 (G-PbBz15, LBB 82) C93700 UNS, LB 2, BS 1400 |
Rm ≥ 220 N/mm² Rp 0.2 ≥ 110 N/mm² A5 ≥ 8 % HB ≥ 70 |
Cu 78 – 82 Sn 9 – 11 Pb 8 – 11 Ni ≤ 2 Zn ≤ 2 Sb ≤ 0.5 |
Die weiche Bleibronze ist eine mittelweiche Zinn-Bleibronze von besonders guter Warmfestigkeit und guten Notlaufeigenschaften bei hohen mechanischen Werten. Sie hat eine gute Verschleissfestigkeit und ein gutes Einlaufverhalten, ist meerwasserbeständig und unempfindlich gegen viele Laugen, Säuren sowie gegen Staub, Schmutz und Kantenpressungen. Höchstzulässiger spezifischer Flächendruck [p] bis 60 N/mm2 bei guter Kühlschmierung. Sehr gute Spanbarkeit. Produkt mit Informationspflichten gemäss REACH-Verordnung. |
| CuZn37Mn3Al2PbSi DIN EN 12164 - 168/12420/12449 CW713R Ähnliche Werkstoffe: 2.0550, CuZn40Al2, SoMs58Al2 DIN 17660, C67400 UNS CZ 135 BS, 2870-2875 |
Rm ≥ 590 N/mm² Rp 0.2 ≥ 370 N/mm² A5 ≥ 10 % HB – |
Cu 57 – 59 Mn 1.5 – 3 Al 1.3 – 2.3 Pb 0.2 – 0.8 Si 0.3 – 1.3 Zn Rest |
Sondermessing für statisch hoch beanspruchte Lagerstellen. Konstruktionswerkstoff mit hoher Festigkeit. Gute Beständigkeit gegen atmosphärische Korrosion, gegen leicht aggressive Wasser und Gase sowie gegen Ölkorrosion. Für hohe Anforderungen an gleitende Beanspruchung, hoher Verschleisswiderstand. Mittlere Spanbarkeit. Konstruktionsteile im Maschinenbau, Gleitlager, Ventilführungen, Getriebeteile, Kolbenringe. Produkt mit Informationspflichten gemäss REACH-Verordnung. |
Werkstoff Welle und Gegenlaufpartner
Die Qualität der Welle ist von grosser Bedeutung für die Funktion und die Lebensdauer der Lagerung. Bei mässigen Belastungen soll die Oberflächenhärte der Welle nicht geringer als 165 HB sein, gute Schmierung vorausgesetzt.
Bei hohen Belastungen und Gleitgeschwindigkeiten ist eine harte Welle mit 250 bis 400 HB erforderlich. Wellen mit ungenügender Oberflächenhärte können gehärtet, einsatzgehärtet oder hartverchromt werden (Schichtdicke 0,05 - 0,10 mm). Hartverchromte Wellen haben zudem gute Gleiteigenschaften. Zu empfehlende Wellenwerkstoffe:
- Vergütungsstahl C35+C (C35K), 1.0501
- Vergütungsstahl C45+C (C45K), 1.0503
- Vergütungsstahl C45E (CK 45), 1.1191
- Vergütungsstahl legiert 34CrNiMo6+QT, 1.6582
- Vergütungsstahl legiert 25CrMo4+QT, 1.7218
- Korrosionsbeständiger Chrom-Nickel Stahl X17CrNi16-2, 1.4057
Toleranzen
Die Toleranzen gelten für die normalen Anwendungsfälle des allgemeinen Maschinenbaus. Eine Überprüfung der Passungswahl ist erforderlich, wenn:
- die Buchsen im Bereich der hydrodynamischen Schmierungen eingesetzt werden
- die Buchsen in, sowohl werkstoff- als konstruktionsbedingt, externe Gehäuse eingepresst oder eingeklebt werden
| di | d2 | d3 | b1 | Gehäuse | di montiert | Welle | |
|---|---|---|---|---|---|---|---|
| E6 | < 120 s6 > 120 r6 |
d11 | h13 | H7 | H8 | e7 oder g7 | |
| D6 | < 120 s6 > 120 r6 |
d11 | h13 | H7 | F8 | h6 - h9 | |
| F7 | p6 | js13 | h13 | H7 | H8 | e7 | |
| E7 | p6 | js13 | h13 | H7 | F8 | h6 - h9 |
Wellentoleranz
Über die Toleranz der Welle wird das Lagerspiel bestimmt. Dieses hängt von mehreren Faktoren ab, wie Anwendungsfall, Belastung, Gleitgeschwindigkeit, Schmierung, Temperatur. Für mit Öl geschmierte und normal beanspruchte Lager empfehlen wir eine Wellentoleranz von e7.
Werden Buchsen in Verbindung mit fertig bearbeiteten Präzisionswellen der Toleranzlage h verwendet, dann sollte für den Innendurchmesser d1 das Toleranzfeld D6 sein; das ergibt nach dem Einpressen eine Toleranzklasse von etwa F8. Wird die Lagerbohrung nach dem Einpressen nachgearbeitet, so sind die Masse und Toleranzen des Innendurchmessers d1 zwischen Hersteller und Abnehmer zu vereinbaren.
Konstruktion
Zulässige Abweichungen für Masse ohne Toleranzangaben müssen der Toleranzklasse "m" nach DIN ISO 2768-1 entsprechen.
- für die Einpressfase C2 von 45° sind keine besonderen Bezeichnungsangaben erforderlich
- für die Einpressfase C2 von 15° ist Y in der Bezeichnung zusätzlich anzugeben
- andere Fasen nach Vereinbarung
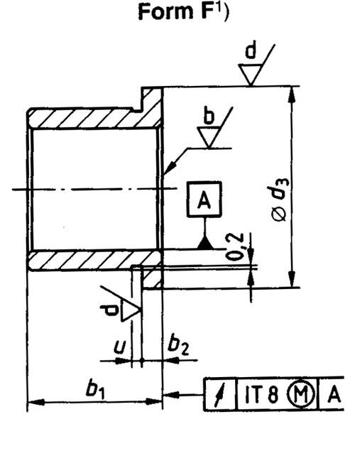
- Bundbuchsen Form F mit oder ohne Freistich (Mass u) sind zu vereinbaren
- Schmierlöcher, Schmiernuten, Schmiertaschen nach DIN ISO 12128 (Ersatz für DIN 1850-2) oder nach Ihrer Zeichnung
Schmierung
Die Leistungsfähigkeit der Bronze-Gleitlager ist abhängig von der jeweiligen Einbaustelle und der Position der Schmiernut. Diese wird stark beeinflusst durch die Belastungen, verwendete Schmierung, Gleitgeschwindigkeit sowie die Temperatur und die Beschaffenheit der Gegengleitfläche.
Die Schmierung basiert auf Öl oder Fett. Zum Schutz von Gleitlager und Schmierstoff in schmutzintensiven Umgebungen empfehlen wir die Verwendung von Dichtungen.
Mehr Informationen zum Thema Schmierung finden Sie hier.
Schmiernuten
Nutformen nach DIN ISO 12128 (Ersatz für DIN 1591) oder nach Ihrer Zeichnung.
Bezeichnung einer Schmiernut Form D mit t2 = 0,8 mm Nuttiefe: Schmiernut ISO 12128 - D 0,8
| d1 | t2 Form C bis H |
e1 Form D, E |
e2 Form G |
e2 Form H |
r1 Form C |
r1 Form D |
r1 Form F |
r2 Form C |
s über |
s bis |
|---|---|---|---|---|---|---|---|---|---|---|
| 0.4 | 2 | 1.2 | 3 | 1.5 | 1 | 1 | 1 | - | 1 | |
| 0.6 | 3 | 1.6 | 3 | 1.5 | 1.5 | 1 | 2 | 1 | 1.5 | |
| 0.8 | 5 | 1.8 | 3 | 1.5 | 2.5 | 1 | 3 | 1.5 | 2 | |
| bis 30 mm | 1 | 8 | 2 | 4 | 2 | 4 | 1.5 | 4.5 | 2 | 2.5 |
| 1.2 | 10.5 | 2.5 | 5 | 2.5 | 6 | 2 | 6 | 2.5 | 3 | |
| 1.6 | 14 | 3.5 | 6 | 3 | 8 | 3 | 9 | 3 | 4 | |
| bis 100 mm | 2 | 19 | 4.5 | 8 | 4 | 12 | 4 | 12 | 4 | 5 |
| über 100 mm | 2.5 | 28 | 7.5 | 10 | 5 | 20 | 5 | 20 | 5 | 7.5 |
| 3.2 | 38 | 11 | 12 | 7 | 28 | 7 | 28 | 7.5 | 10 | |
| 4 | 49 | 14 | 15 | 9 | 35 | 9 | 35 | 10 | - |
Ausführungsformen
Zylinderbuchsen oder Bundbuchsen nach DIN ISO 4379 (Ersatz für DIN 1850 Teil 1) oder nach Ihrer Zeichnung.
Schmierlöcher, Schmiernuten, Schmiertaschen nach DIN ISO 12128
(Ersatz für DIN 1850 Teil 2) oder nach Ihrer Zeichnung
Verfügbarkeit
Sämtliche Massivgleitlager werden auftragsbezogen hergestellt, keine Lagerhaltung. Es können Mindestabnahmemenge anfallen abhängig vom Werkstoff, Ausführung, Grösse, etc.
Lieferformen und Sonderabmessungen
- Wir liefern nach Ihren Angaben, Mustern oder Zeichnungen sowie DIN- und ISO-Normen
- DIN ISO 4379 Form C (Zylinderbuchsen) und Form F (Bundbuchsen)
- DIN 1850-1 Form G (Zylinderbuchsen) und Form U (Bundbuchsen)
Form C (Zylinderbuchsen)
Abmessungen nach DIN ISO 4379 (DIN 1850-1 Form G) oder nach Ihrer Zeichnung (auftragsbezogene Fertigung, keine Lagerhaltung).
|
d 1 |
d 2 |
d 2 |
d 2 |
b 1 |
b 1 |
b 1 |
Fasen |
|
|
45° C 1 , C 2
max. |
15° C 2
max. |
|||||||
|
6 |
8 |
10 |
12 |
6 |
10 |
- |
0.3 |
1 |
|
8 |
10 |
12 |
14 |
6 |
10 |
- |
0.3 |
1 |
|
10 |
12 |
14 |
16 |
6 |
10 |
- |
0.3 |
1 |
|
12 |
14 |
16 |
18 |
10 |
15 |
20 |
0.5 |
2 |
|
14 |
16 |
18 |
20 |
10 |
15 |
20 |
0.5 |
2 |
|
15 |
17 |
19 |
21 |
10 |
15 |
20 |
0.5 |
2 |
|
16 |
18 |
20 |
22 |
12 |
15 |
20 |
0.5 |
2 |
|
18 |
20 |
22 |
24 |
12 |
20 |
30 |
0.5 |
2 |
|
20 |
23 |
24 |
26 |
15 |
20 |
30 |
0.5 |
2 |
|
22 |
25 |
26 |
28 |
15 |
20 |
30 |
0.5 |
2 |
|
24 * |
27 |
28 |
30 |
15 |
20 |
30 |
0.5 |
2 |
|
25 |
28 |
30 |
32 |
20 |
30 |
40 |
0.5 |
2 |
|
27 * |
30 |
32 |
34 |
20 |
30 |
40 |
0.5 |
2 |
|
28 |
32 |
34 |
36 |
20 |
30 |
40 |
0.5 |
2 |
|
30 |
34 |
36 |
38 |
20 |
30 |
40 |
0.5 |
2 |
|
32 |
36 |
38 |
40 |
20 |
30 |
40 |
0.8 |
3 |
|
33 * |
37 |
40 |
42 |
20 |
30 |
40 |
0.8 |
3 |
|
35 |
39 |
41 |
45 |
30 |
40 |
50 |
0.8 |
3 |
|
36 * |
40 |
42 |
46 |
30 |
40 |
50 |
0.8 |
3 |
|
38 |
42 |
45 |
48 |
30 |
40 |
50 |
0.8 |
3 |
|
40 |
44 |
48 |
50 |
30 |
40 |
60 |
0.8 |
3 |
|
42 |
46 |
50 |
52 |
30 |
40 |
60 |
0.8 |
3 |
|
45 |
50 |
53 |
55 |
30 |
40 |
60 |
0.8 |
3 |
|
48 |
53 |
56 |
58 |
40 |
50 |
60 |
0.8 |
3 |
|
50 |
55 |
58 |
60 |
40 |
50 |
60 |
0.8 |
3 |
|
55 |
60 |
63 |
65 |
40 |
50 |
70 |
0.8 |
3 |
|
60 |
65 |
70 |
75 |
40 |
60 |
80 |
0.8 |
3 |
|
65 |
70 |
75 |
80 |
50 |
60 |
80 |
1 |
4 |
|
70 |
75 |
80 |
85 |
50 |
70 |
90 |
1 |
4 |
|
75 |
80 |
85 |
90 |
50 |
70 |
90 |
1 |
4 |
|
80 |
85 |
90 |
95 |
60 |
80 |
100 |
1 |
4 |
|
85 |
90 |
95 |
100 |
60 |
80 |
100 |
1 |
4 |
|
90 |
100 |
105 |
110 |
60 |
80 |
120 |
1 |
4 |
|
95 |
105 |
110 |
115 |
60 |
100 |
120 |
1 |
4 |
|
100 |
110 |
115 |
120 |
80 |
100 |
120 |
1 |
4 |
|
105 |
115 |
120 |
125 |
80 |
100 |
120 |
1 |
4 |
|
110 |
120 |
125 |
130 |
80 |
100 |
120 |
1 |
4 |
|
120 |
130 |
135 |
140 |
100 |
120 |
150 |
1 |
4 |
|
130 |
140 |
145 |
150 |
100 |
120 |
150 |
2 |
5 |
|
140 |
150 |
155 |
160 |
100 |
150 |
180 |
2 |
5 |
|
150 |
160 |
165 |
170 |
120 |
150 |
180 |
2 |
5 |
|
160 |
170 |
180 |
185 |
120 |
150 |
180 |
2 |
5 |
|
170 |
180 |
190 |
195 |
120 |
180 |
200 |
2 |
5 |
|
180 |
190 |
200 |
210 |
150 |
180 |
250 |
2 |
5 |
|
190 |
200 |
210 |
220 |
150 |
180 |
250 |
2 |
5 |
|
200 |
210 |
220 |
230 |
180 |
200 |
250 |
2 |
5 |
* nur für besondere Anwendungsfälle, sind möglichst zu vermeiden
Form F (Flansch- oder Bundbuchsen)
Abmessungen nach DIN ISO 4379 (DIN 1850-1 Form U) oder nach Ihrer Zeichnung (auftragsbezogene Fertigung, keine Lagerhaltung).
| d1 | Reihe 1 | Reihe 2 | b1 | b1 | b1 | Fasen | u | |||||||
|---|---|---|---|---|---|---|---|---|---|---|---|---|---|---|
| d2 | d3 | b2 | d2 | d3 | b2 | 45° C1, C2 max. |
15° C2 max. |
|||||||
| 6 | 8 | 10 | 1 | 12 | 14 | 3 | - | 10 | - | 0.3 | 1 | 1 | ||
| 8 | 10 | 12 | 1 | 14 | 18 | 3 | - | 10 | - | 0.3 | 1 | 1 | ||
| 10 | 12 | 14 | 1 | 16 | 20 | 3 | - | 10 | - | 0.3 | 1 | 1 | ||
| 12 | 14 | 16 | 1 | 18 | 22 | 3 | 10 | 15 | 20 | 0.5 | 2 | 1 | ||
| 14 | 16 | 18 | 1 | 20 | 25 | 3 | 10 | 15 | 20 | 0.5 | 2 | 1 | ||
| 15 | 17 | 19 | 1 | 21 | 27 | 3 | 10 | 15 | 20 | 0.5 | 2 | 1 | ||
| 16 | 18 | 20 | 1 | 22 | 28 | 3 | 12 | 15 | 20 | 0.5 | 2 | 1.5 | ||
| 18 | 20 | 22 | 1 | 24 | 30 | 3 | 12 | 20 | 30 | 0.5 | 2 | 1.5 | ||
| 20 | 23 | 26 | 1.5 | 26 | 32 | 3 | 15 | 20 | 30 | 0.5 | 2 | 1.5 | ||
| 22 | 25 | 28 | 1.5 | 28 | 34 | 3 | 15 | 20 | 30 | 0.5 | 2 | 1.5 | ||
| 24 * | 27 | 30 | 1.5 | 30 | 36 | 3 | 15 | 20 | 30 | 0.5 | 2 | 1.5 | ||
| 25 | 28 | 31 | 1.5 | 32 | 38 | 4 | 20 | 30 | 40 | 0.5 | 2 | 1.5 | ||
| 27 * | 30 | 33 | 1.5 | 34 | 40 | 4 | 20 | 30 | 40 | 0.5 | 2 | 1.5 | ||
| 28 | 32 | 36 | 2 | 36 | 42 | 4 | 20 | 30 | 40 | 0.5 | 2 | 1.5 | ||
| 30 | 34 | 38 | 2 | 38 | 44 | 4 | 20 | 30 | 40 | 0.5 | 2 | 2 | ||
| 32 | 36 | 40 | 2 | 40 | 46 | 4 | 20 | 30 | 40 | 0.8 | 3 | 2 | ||
| 33 * | 37 | 41 | 2 | 42 | 48 | 5 | 20 | 30 | 40 | 0.8 | 3 | 2 | ||
| 35 | 39 | 43 | 2 | 45 | 50 | 5 | 30 | 40 | 50 | 0.8 | 3 | 2 | ||
| 36 * | 40 | 44 | 2 | 46 | 52 | 5 | 30 | 40 | 50 | 0.8 | 3 | 2 | ||
| 38 | 42 | 46 | 2 | 48 | 54 | 5 | 30 | 40 | 50 | 0.8 | 3 | 2 | ||
| 40 | 44 | 48 | 2 | 50 | 58 | 5 | 30 | 40 | 60 | 0.8 | 3 | 2 | ||
| 42 | 46 | 50 | 2 | 52 | 60 | 5 | 30 | 40 | 60 | 0.8 | 3 | 2 | ||
| 45 | 50 | 55 | 2.5 | 55 | 63 | 5 | 30 | 40 | 60 | 0.8 | 3 | 2 | ||
| 48 | 53 | 58 | 2.5 | 58 | 66 | 5 | 40 | 50 | 60 | 0.8 | 3 | 2 | ||
| 50 | 55 | 60 | 2.5 | 60 | 68 | 5 | 40 | 50 | 60 | 0.8 | 3 | 2 | ||
| 55 | 60 | 65 | 2.5 | 65 | 73 | 5 | 40 | 50 | 70 | 0.8 | 3 | 2 | ||
| 60 | 65 | 70 | 2.5 | 75 | 83 | 7.5 | 40 | 60 | 80 | 0.8 | 3 | 2 | ||
| 65 | 70 | 75 | 2.5 | 80 | 88 | 7.5 | 50 | 60 | 80 | 1 | 4 | 2 | ||
| 70 | 75 | 80 | 2.5 | 85 | 95 | 7.5 | 50 | 70 | 90 | 1 | 4 | 2 | ||
| 75 | 80 | 85 | 2.5 | 90 | 100 | 7.5 | 50 | 70 | 90 | 1 | 4 | 3 | ||
| 80 | 85 | 90 | 2.5 | 95 | 105 | 7.5 | 60 | 80 | 100 | 1 | 4 | 3 | ||
| 85 | 90 | 95 | 2.5 | 100 | 110 | 7.5 | 60 | 80 | 100 | 1 | 4 | 3 | ||
| 90 | 100 | 110 | 5 | 110 | 120 | 10 | 60 | 80 | 120 | 1 | 4 | 3 | ||
| 95 | 105 | 115 | 5 | 115 | 125 | 10 | 60 | 100 | 120 | 1 | 4 | 3 | ||
| 100 | 110 | 120 | 5 | 120 | 130 | 10 | 80 | 100 | 120 | 1 | 4 | 3 | ||
| 105 | 115 | 125 | 5 | 125 | 135 | 10 | 80 | 100 | 120 | 1 | 4 | 3 | ||
| 110 | 120 | 130 | 5 | 130 | 140 | 10 | 80 | 100 | 120 | 1 | 4 | 3 | ||
| 120 | 130 | 140 | 5 | 140 | 150 | 10 | 100 | 120 | 150 | 1 | 4 | 3 | ||
| 130 | 140 | 150 | 5 | 150 | 160 | 10 | 100 | 120 | 150 | 2 | 5 | 4 | ||
| 140 | 150 | 160 | 5 | 160 | 170 | 10 | 100 | 150 | 180 | 2 | 5 | 4 | ||
| 150 | 160 | 170 | 5 | 170 | 180 | 10 | 120 | 150 | 180 | 2 | 5 | 4 | ||
| 160 | 170 | 180 | 5 | 185 | 200 | 12.5 | 120 | 150 | 180 | 2 | 5 | 4 | ||
| 170 | 180 | 190 | 5 | 195 | 210 | 12.5 | 120 | 180 | 200 | 2 | 5 | 4 | ||
| 180 | 190 | 200 | 5 | 210 | 220 | 15 | 150 | 180 | 250 | 2 | 5 | 4 | ||
| 190 | 200 | 210 | 5 | 220 | 230 | 15 | 150 | 180 | 250 | 2 | 5 | 4 | ||
| 200 | 210 | 220 | 5 | 230 | 240 | 15 | 180 | 200 | 250 | 2 | 5 | 4 | ||
* nur für besondere Anwendungsfälle, sind möglichst zu vermeiden
Allgemein Verwendungsbeispiele
Massivgleitlager sind für Lagerungen konzipiert, die oszillierende Schwenk- oder Linearbewegungen aufzunehmen haben. Sie eignen sich zudem für Anwendungen mit niedrigen Drehzahlen.
- Allgemeiner Maschinenbau
- Werkzeug- und Baumaschinen aller Art
- landwirtschaftliche Fahrzeuge und Maschinen
- Seilbahnen und Schienenfahrzeuge
- Kunststoffgiess- und -spritzmaschinen
- Textil- und Verpackungsmaschinen
- Pumpen und Förderanlagen
- Offshore-Einrichtungen
- Papiermaschinen
Verwendungsbeispiele nach Werkstoff
CuSn7Zn4Pb7-Bronze DIN EN 1982 (CC493K)
Dank ihrer besonderen Eigenschaften hat diese Lagerbronze einen weiten Verwendungsbereich. Sie eignet sich namentlich für die Herstellung folgender Maschinenteile:
- Normal und hochbeanspruchte Gleitlagerbuchsen mit Flüssigkeitsreibung im allgemeinen Maschinen- und Apparatebau (Lastspitzen von p bis 40 N/mm2 zulässig), Lager mit zeitweiligem Schmierstoffmangel und begrenzter Lebensdauer; Lager im Kran- und Baggerbau, Lager für Förderanlagen, Lager für Land- und Baumaschinen, für Textil- und Verpackungsmaschinen, für Elektromotoren und Getriebe.
- Hauptspindel- und Nebenlager im Werkzeugmaschinenbau, Kurbel- und Kniehebellager mit Lastspitzen von p bis 30 N/mm2 bei zweckentsprechender Schmierung.
- Führungsbuchsen, Druckwalzen, Drucklager, Pumpenzylinder, Dichtungsringe; Zylinderführringe, Grund- und Stopfbüchsenfutter für hydraulische Pressen. Mittelbeanspruchte Kuppelstücke und Schleifringe. Mittel- bis hochbeanspruchte Gleit- und Stellleisten.
CuSn12-Bronze DIN EN 1982 (CC183K)
Die Zinnbronze ist ein zähharter Werkstoff mit hoher Verschleissfestigkeit und guten Gleiteigenschaften. Er ist stossunempfindlich, meerwasser-,korrosions- und kavitationsbeständig.
- Unter Last bewegte Spindelmuttern, hochbelastete Gleitlager in Werkzeugmaschinen.
- Hochbeanspruchte Gleit- und Verschleissplatten, Anlaufscheiben und Pleuelbuchsen, Kolben und Pumpenkörper für Oel- und Wasserhydraulik, hochbeanspruchte Kuppelsteine.
- Bei hydrodynamischer Schmierung sind die Gleitgeschwindigkeiten bis v = 20 m/s zulässig.
CuSn11Pb2-Bronze DIN EN 1982 (CC482K)
Dieser Werkstoff hat sich für hochbelastete Gleitlager hervorragend bewährt, z.B. für Schleifmaschinen-Spindellager, Hauptspindellager für Feinstbearbeitungsmaschinen, Schwungradlagerungen für Pressen, Kolbenbolzenbuchsen, Lager für Kranlaufräder, hochbeanspruchte Kniehebel-, Pleuel- und Kurbellager für Schmiedemaschinen und Exzenterpressen. Hochbeanspruchte Gleitplatten und Leisten.
CuSn8/CuSn8P-Bronze DIN EN 12163/12167/12449
Der hochwertige Gleitwerkstoff bietet sich als idealer Werkstoff für hochbeanspruchte Gleitlager an. Die mechanischen Werte bleiben bis 280°C praktisch unverändert.
- Dünnwandige Gleitlager und Gleitelemente für höchste Beanspruchungen.
- Spindelmuttern, Zahnräder, Schneckenräder, Ritzel.
- Korrosionsbeständige und verschleissfeste Konstruktionsteile wie Bolzen, Schrauben und Muttern.
- Kolbenpumpen, Baumaschinen, Landmaschinen, Motorenbau, Fahrzeugbau, Bergmaschinenbau, Druckmaschinen, Spritzgussmaschinen, Kompressoren, Erdbewegungsmaschinen, Getriebebau, Waggonbau, Exzenter- und Kniehebelantriebe, Werkzeugmaschinen, Hydraulikanlagen, Schiffbau, Luft- und Raumfahrt, Industrieofenbau, chemische Industrie, Vorrichtungsbau, Verpackungsmaschinen, Pneumatikanlagen, Apparatebau, Schleusen und Wehranlagen.
CuAl10Ni5Fe4-Aluminiumbronze DIN EN 12163/12167/12420 (CW307G)
- Gleitlager mit hohen Schwellasten, höchstbelastete Lager in Kniehebelpressen, Exzenterpressen und Schmiedemaschinen.
- Wegen hoher Warmhärte für Gleitlager in Warmbetrieben geeignet.
- Führungsbuchsen, Druckplatten, Gleitsteine, Kugelpfannen, Verschleissteile.
- Druck- und Spindelmuttern, Bolzen, Wellen, Ventilsitzringe.
CuSn10Pb10-Bleibronze DIN EN 1982 (CC495K)
Gleitlager für Warmwalzwerke, Fahrzeuglager, Lager für Präzisionsmaschinen, Kolbenbolzen und Getriebebüchsen.